米兰官方网站
米兰官方网站-米兰milan(中国)
公司介绍
企业介绍
组织架构
企业荣誉
领导关怀
新闻动态
米兰官方网站
政策要闻
党建工作
组织架构
党建阵地
党群活动
工青妇
荣誉鼓励
信息公开
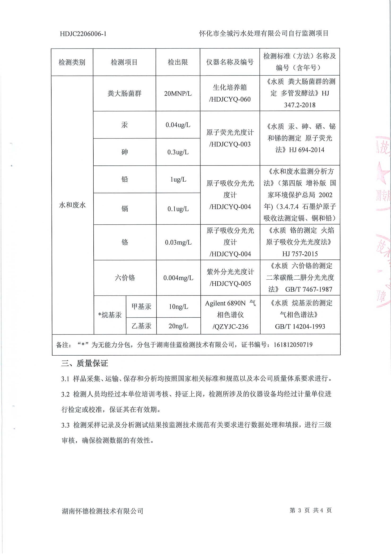
水质检测报告
环境信息公开
职位招聘
通知公告
米兰官方网站-米兰milan(中国)
电话地址
意见箱
总经理信箱
怀德检测 2022年6月 污水检测报告
2022-07-04 11:33:57
上一篇:
湖南怀德检测技术有限公司 2025年10月 出水水质检测报告
下一篇:
怀德检测 2022年5月 污水检测报告